
甲方委托乙方加工 产品,为维护甲乙双方的利益,经双方协商,就有关代加工事宜达成如下协议,以供双方共同遵守。第一条 代加工内容甲方委托乙方为其加工系列产品,加工数量、款式(或开发信息)、标准、质量要求由甲方提供,价格由双方协商确定,另在订单上详述。第二条 甲方责任:1、按计划分季度委托乙方为其加工甲方 产品。2、向乙方提供甲方生产授权委托手续、商标注册证、授权书以及对商业秘密的专有合法证明等相关法律文件。3、向乙方提供加工品款式(或开发信息)、数量、技术要求、交货时间等。4、负责向乙方提供甲方商标各种组合、内外包装及其它标有商标的包装及印刷品等与乙方加工品有关的内容。5、甲方有权对乙方的生产标准、产品质量进行检查监督,并提出意见和建议,确认的样品验收货品。6、甲方按照甲乙双方确定的样板和标准进行验收货品。7、甲乙双方严守商业秘密。·本合同所签订的上述加工品的商标及图案文字为甲方所有,乙方不得为他人生产或提供。

委托合同是诺成的、双务的合同。委托合同又称委任合同,是指委托人和受托人约定,由受托人处理委托事务的合同,今天就给大家分享一下委托合同,喜欢的来参考哦有关食品委托加工合同委托方:____有限公司地址:__(邮编:______)电话:(__)______传真:(__)______银行:____________银行户头号码:______增值税号码:______(以下称委托方)加工方:____有限公司地址:____(邮编:____)电话:(__)____传真:(__)____银行:____________银行户头号码:____________(以下称加工方)。委托方和加工方合称为双方。委托方与加工方在平等、自愿基础上,经友好协商签订此协议,以资共同遵守:(1)委托方希望根据下列条件委托加工方_____茶产品,有关产品订单将按本协议规定向加工方发出。(2)加工方希望根据下列条件为委托方加工_____产品,有关产品将按本协议规定完成。(3)委托方为____产品之唯一商标持有人及享有有关产品专利权。

甲方委托乙方生产 系列产品,双方本着诚信、互利的原则签订以下委托加工合同。一、 产品品种:1. 甲方委托乙方生产 系列产品,品种由甲方根据乙方提供的种类而确定具体加工品种;2. 甲方可自定产品品种,乙方按甲方要求生产;3. 所委托的加工的产品全部交由甲方销售,乙方无权生产同类产品及销售该产品。二、产品数量:以订单产品品种、数量为准,乙方根据甲方每批订单提供的生产品种、产品数量进行生产,并保证完成甲方订单品种的生产数量。三、 产品包装:乙方提供包装、纸箱、生产原料等直接包装物料和生产原料,甲方承担设计制作。在合同期内因甲方原因造成产品不再销售等情况,甲方应承担乙方剩余包装、纸箱的所以费用。四、 产品交付:1. 单品的最小订单数量为:200件起发;2. 订单下达后7天内乙方交付到甲方指定收货地点;3. 由乙方负责汽运至甲方指定收货地点,运费由乙方支付。(如运费过高,运费可由甲乙双方商定)4. 乙方调价,需提前一月以书面形式通知甲方。

委托方(以下称“委托方”) : xxx有限公司 地址:xxx 邮编:xxx 电话: xxx 传真: xxx 银行:xxx 银行户头号码:xxx 增值税号码:xxx加工方(以下称“加工方):xxx有限公司 地址: xxx 邮编:xxx 电话: xxx 传真:xxx 银行xxx 银行户头号码:xxx委托方与加工方在平等、自愿基础上,经友好协商签订此协议,以资共同遵守:(1)委托方希望根据下列条件委托加工方xx产品,有关产品订单将按本协议规定向加工方发出。(2)加工方希望根据下列条件为委托方加工xx产品,有关产品将按本协议规定完成。(3)委托方为xx_产品之唯一商标持有人及享有有关产品专利权。第一、每月订单1、委托方必须提前 x 天以传真方式给加工落实订单数量。订单内容指明提货时间。2、加工方在收悉订单后,必须在xxx 内以传真书面向委托方确认订单。

经双方充分协商,在互利互惠的基础上,就甲方委托乙方加工生产[ ]系列产品事宜,达成以下协议:第一条 加工产品范畴1、产品品名:2、产品规格为:3、如增加产品由双方另行签订书面补充协议。第二条 委托加工订单1、甲方根据市场销售情况,于每月日以书面或传真形式向乙方提供次月订单,明确订单的数量和供货时间,乙方如有异议,应在接订单后1日内书面提出,否则,视为同意。2、乙方按确认的订单提供产品,甲方可视具体情况对订单进行相应的调整,调整计划提前5天通知乙方,但调整幅度(量)不得超过计划的25%,若超过25%,双方另行协商。3、乙方应尽最大努力,最大限度的满足甲方订单的要求。第三条 加工产品质量及责任1、乙方严格按甲、乙双方确认的配方和工艺制作,产品质量符合国家食品卫生标准。2、加工产品包装上标注乙方厂名和厂址,同时注明乙方系受甲方委托生产,附“ ”商标使用授权书。3、产品在保质期内出现批量性质量问题,经由双方确认或国家检验检测机构签定属乙方制造引起的,除由乙方承担该批有质量问题产品(需双方清点数量)的责任外,乙方还应按该批有质量问题产品总值的30%以实物形式(加工产品)补偿给甲方;

下面关于委托加工合同范本范文的材料由查字典范文大全整理。甲方: 乙方:经双方充分协商,在互利互惠的基础上,就甲方委托乙方加工生产[ ]系列产品事宜,达成以下协议:第一条 加工产品范畴1、产品品名:2、产品规格为:3、如增加产品由双方另行签订书面补充协议。第二条 委托加工订单1、甲方根据市场销售情况,于每月日以书面或传真形式向乙方提供次月订单,明确订单的数量和供货时间,乙方如有异议,应在接订单后1日内书面提出,否则,视为同意。2、乙方按确认的订单提供产品,甲方可视具体情况对订单进行相应的调整,调整计划提前5天通知乙方,但调整幅度(量)不得超过计划的25%,若超过25%,双方另行协商。3、乙方应尽最大努力,最大限度的满足甲方订单的要求。第三条 加工产品质量及责任1、乙方严格按甲、乙双方确认的配方和工艺制作,产品质量符合国家食品卫生标准。2、加工产品包装上标注乙方厂名和厂址,同时注明乙方系受甲方委托生产,附“ ”商标使用授权书。

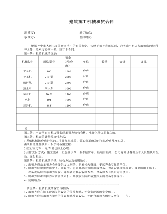
根据“中华人民共和国合同法”的有关规定,按照平等互利的原则,为明确出租方与承租房的权利和义务,经双方协商一致,签订本合同。第一条:租赁机械情况表:机械名称 规格型号 租金(元/台班) 单位 数量 合计 备注平地机 180 1800 台班 挖掘机 210型 2000 台班 破碎炮 210型 2600 台班 渣土车 斯太尔 1000 台班 装载机 50型 1500 台班 水车 10T 1000 台班 压路机 18T 1200 台班 总计 第二条:本合同自出租方设备经承租方验收合格,准许入场之日起生效。第三条:租金的计量及支付方式;1. 所租机械按台班计算的由项目部机械员,领工员正确及时签认台班月度汇总。由项目经理签认后。报公司备案登帐。2.按元/立方米,元/车的也如上办理。3.结算支付方式:施工完成,汇总签认单,制作结算单,经项目经理,公司材料设备部主管人员签认后生效,支付租金。第四条:租赁机械的手续,验收方法及使用地点。1、 出租方应是承租方合格分供方之列的,具有相关资质,手续齐全可靠的单位。

依照《中华人民共和国合同法》、《中华人民共和国建筑法》及其他有关法律、行政法规,遵循平等、自愿、公平和诚实信用的原则,双方就本建筑工程施工事项协商一致,订立本合同。一、工程概况工程名称:××××二期项目 工程地点:大武86号 工程内容:厂房及仓库 工程立项批准文号: 临发改证[2015]49号 资金来源:自筹 二、工程承包范围承包范围:施工图内除合同约定的发包人分包项目外的全部土建工程、安装工程和预埋工程的施工和竣工所需的劳务、材料、设备、施工机械和服务等全部内容(其中部分材料和钢结构由发包人提供)三、合同工期开工日期:计划2016年2月10日(实际开工日期以发包人、监理人下达开工令为准)竣工日期:开工令日期加本合同总日历天数,计划2016年2月10日-2016年5月10日合同工期总日历天数:100天四、质量标准工程质量标准:合格(其中主体为优质结构)五、合同价款金额(大写):预算价约计 万元六、组成合同文件本合同文件包括:1.本合同协议书;2.本合同专用条款;3.本合同通用条款;4.标准、规范及有关技术文件;5.图纸;

协议书附录条款内容 条款号定义 l项目名称是 1(a) 责任期限 17 计算起自 赔偿的限额 18.1 服务开始 22 完成 支付的时间 31(b)当地货币 42 天外币 56 天对过期应付款项商定的补偿 每天 %协议书规定的货币 32 支付的货币协议书中货币的汇率 协议书的语言 36主导语言 汉语/英语协议书遵循的法律 工程所在国或地区的法律

先生们:根据上述合同中合同条件第60.6款的规定, (以下称‘承包人)应向业主支付一笔金额为 大写为 的银行保证金作为其按合同条款履约的担保。我方 (银行或金融机构)受承包人的委托不仅作为保人而且作为主要的负责人,无条件地和不可撤消地同意在收到业主提出因承包人没有履行上述条款规定的义条,而要求收回动员预付款的要求后,向业主 (业主名称)支付数额不超过 (保证金额)的担保金,并按上述合同价款向业主担保。不管我方是否有任何叵时权力,也不管业主是否首先向承包人索取,业主享有从本合同承包人索回全部或部分动员预付款的权力。

下列措辞和用语,除上下又另有要求者外,应具有如下所赋予的涵义:(a)“项目”是指协议书附录中指定的并为之建造的工程。(b)“服务”是指监理工程师根据协议书所履行的服务,包括正常服务、附加服务和额外服务。(c)“工程”是相为完成项目所实施的永久工程(包括提供给业主的物品和设备)。(d)“业主”是指本协议书所指的雇用监理工程师的一方以及业主的合法继承人和允许的受让人。(e)“监理工程师”是指本协议书中所指的,作为一个独立的专业公司受雇于业主去履行服务的一方以及监理工程师的合法继承人和允许的受让人(f)“一方”和“各方”是指业主和监理工程师。“第三方”是指上下文要求的任何其他当事人或实体。(g)“协议书”是指包括土建工程施工监理服务协议书条件及协议书附录、附件A(监理服务范围)、附件B(业主提供的人员、设备、设施和其他人员的服务)、附件(C)(报酬和支付)、中标函和正式协议书。(g)“日”是指任何一个午夜至下一个午夜间的时间段。(i)“月”是指根据阳历从一个月份中任何一天开始的一个月的时间段。(j)“当地货币”(LC)是指项目所在国的货币,“外币”(FC)是指任何其它的货币。(k)“商定的补偿”是指协议书附录中规定的根据协议书应支付的额外款项。

根据本保证书, (单位名称)注册地址为 (详细地址)(以下称承包人),和 (保证人姓名)注册地址为 (详细地址)(以下称保证人)在此以担保全额为 (货币名称、数额)共同格守对 (业主名称)(以下称为业主)的义务。根据本保证书,承包人与保证人应保证自己,以及其继承人和受让人承担共同的及各自的对该项支付的义务。根据以业主为一方,承包人为另一方所达成的协议,承包人已承担了合同义务(以下称为所签合同)去实施并完成某项工程,并在工程出现任何缺陷时,按上述合同中有关条款规定进行修补。兹将上述书面保证的条件表述如下:如果承包人正确地履行和遵守所签合同中规定的承包人一方按合向的真实主旨、意向和含义应履行和遵守的所有条款、条件及规定,或者如果承包人违约则保证人就赔偿业主因此而蒙受的损失,直到达到上述保证金总额,届时,本保证书所承担之义务即告终止和失效。否则仍保持完全有效。

本协议书于 年 月 日由 、 (以下简称“业主”)为一方与 (以下简称“监理工程师”)为另一方签订。鉴于业主欲请监理工程师履行某些服务,即 并已接受监理工程师为履行该类服务所提出的建议书。兹就以下事项达成本协议:l本协议书中的措辞和用语应与下文提及的“服务协议书条件”中分别赋予它们的义相同。2下列文件应被认为是组成本协议书的一部分,并应被作为其一部分进行阅读和理解,即:(a)中标函;(b)协议书附录;(c)土建工程施工监理服务协议书条件;(d)附件,即:附件A——理服务范围附件B——业主提供的人员、设备、设施和其他服务附件C——报酬和支付3考虑到下文提及的业主对监理工程师的支付,监理工程师在此同意业主的要求,遵照本协议书的规定履行服务。4业主在此同意按本协议书规定的期限和方式,向监理工程师支付根据协议书规定应付的款项,以此作为履行服务的报酬。

本授权书申明: (公司注册地点) (公司名称) (职务) (姓名)经合法授权,特代表本公司(以下称“承包人”)任命;(公司名称) (职务) (姓名)为正式的合法代理人,井授权该代理人在有关 (合同名称)的施工、建成和维修方面,以承包人的名义并代表承包人签署投标书、进行谈判、签署合同和处理与此有关的一切事务。

本协议书于 年 月 日由 (以下简称“业主”)为一方与 (以下简称“承包人”)为另一方签定。鉴于业主欲建成本项工程,即 并已接受承包人提出的承担该项工程之施工、竣工并修补其任何缺陷的投标书。兹为以下事项达成本协议:l本协议书中的措辞和用语应具有下文提及的合同条件中分别赋予它们的相同的含义。2下列文件应被认为是组成本协议书的一部分,并应被作为其一部分进行阅读和理解:(a)中标函;

1. (业主名字)(下简称“业主”)已安排了一笔以多种货币构成的资金,用于 (工程名称)建设费用的合理支付。所有如资格预审文件规定的来自合格货源并经资格预审合格了的投标人均可参加本工程的投标。2.业主邀请资格预审合格的投标人就下列工程施工和竣工所需的劳务、材料、设备和服务进行密封投标: (工程概况、主要项目及工程量等)。3.凡有兴趣的资格预审合格的投标人,可从下列地址获取进一步的信息及查阅招文件: (查询和发售招标文件的机构名称、地址等)。4.任何有兴趣的资格预审合格的投标人在向上述机构提交书面申请并在交纳了一笔不可退还的费用 (货币名称和数量)后可购得一套完整的招标文件。多购的招标文件收费相同。

1在研究了上述工程的施工合同条件、规范、图纸、工程量清单以及附件第_号以后,我们,即文末签名人,兹报价以 ( ),或根据上述条件可能确定的其它金额,按合同条件、规范、图纸、工程量清单及附件要求,实施并完成上述工程并修补其任何缺陷。2我们承认投标书附录为我们投标书的组成部分。3如果我们中标,我们保证在接到监理工程师开工通知后尽可能快地开工并在投标书附录中规定的时间内完成合同规定的全部工程。

我们十分高兴地邀请贵公司为 (工程监理服务的名称)提交个体的服务建议书。业主已安排了一笔以多种货币构成的资金,用于 (工程名称)有关费用的合理支付。工程概述包括工程名称、地点、招标方式、时间安排等。本工程的施了计划于 年 用外始。总工期估计 个月。本工程的主要项目有:项目名称、主要项目、初步工程量等。为了有效奖施监理,业主将聘请合格的、有经验的顾问/监理公司帮助业主进行本工程施工阶级的合同管理。要求的服务内容见第四章附录A:监理服务范围。

1我们高兴地邀请贵公司参加本工程项目施工的资格预审,为该工程的建设和完工所需劳务、材料、设备和服务的供应提交资格预审申请。2业主已筹集到一笔以多种货币构成的资金,用于本合同项下的合格支付。3工程概况:(工程名称、建设地点、工程规模、结构型式、招标方式、计划开竣工时间等)。4资格预审合格的申请投标者才可参加投标。投标者应具备类似工程经验和在设备、人员、资金等方面有能力执行本工程的令人满意的证明材料,以便通过资格预审。5有意向的合格申请人可从 (地址)获取进一步信息和资格预审文件,时间为 月 日至 月 日从上午 至下午 (北京时间),节假日除外。联系人: 地址:

在 (工程名称)施工期间,监理工程师将负责按施工合同进行施工监理,包括工程质量控制、进度控制和投资控制、安全等行政管理,处理与施工合同有关的一切事务,为工程按时,高质量完成提供优质服务。3服务的期限监理服务的期限自本合同生效之日起,至工程项目的保修期结束时止。非监理服务原因造成的延期,业主按附加服务向监理工程师支付报酬。4正常服务(1)制备监理所需的准则、核对单、表格和证书等。(2)建立监理程序和行政管理系统。(3)参与编制施工招标文件、编制标底,协助评标与合同谈判。(4)审查施工图纸及施工图预算,参与技术交底和施工图会审。(5)协助业主做好开工前的一切准备工作。(6)实施监理确保监理组织能有效地和顺利地进行监理包括:a批准承包商委派的管理、骨干人员施工计划与材料来源;b合理安排出图及时颁布施工图纸;
PPT全称是PowerPoint,LFPPT为你提供免费PPT模板下载资源。让你10秒轻松搞定幻灯片制作,打造⾼颜值的丰富演示文稿素材模版合集。